|
 |
pan/shovel lower end rebuild |
|
 |
unit triumph build (series) |
|
 |
pan/shovel upper end rebuild |
|
 |
'62 pre-unit triumph chopper |
|
 |
crank case big-bore modification |
|
 |
'64 Panhead bent valve repair |
|
 |
shovel stroker motor build |
|
 |
BSA Lightning blown up again! |
|
 |
triumph tank restoration |
|
 |
Snuffy Smith memorial 2010 |
|
 |
first shovelhead rebuild |
|
 |
The El Guapo ('64 pan) rebuild |
|
 |
indian miracle worker |
|
 |
triumph tiger rescue |
|
 |
my lucky bsa |
|
 |
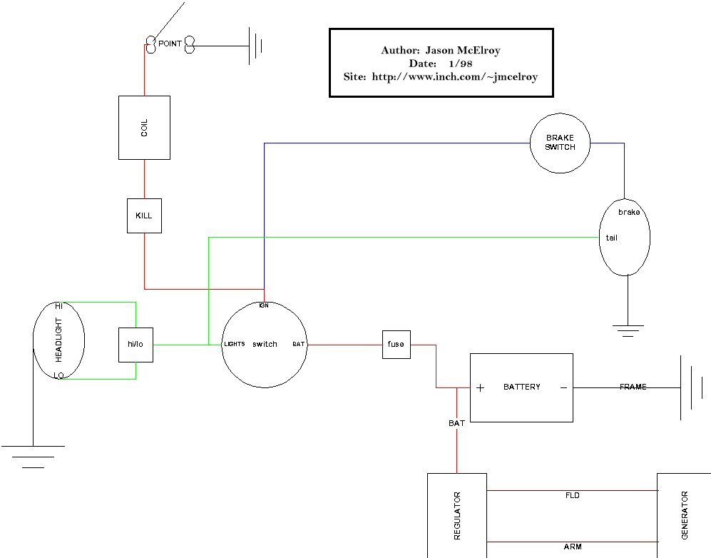
simple mc wiring diagram |
|
 |
buzzbox wiring diagram |
|
 |
turn signal wiring diagram |
|
 |
shovel big-bore head modification |
|
 |
a winter morning in the new shop |
|
 |
my new Philly workshop |
|
 |
1970 Yamaha R5 |
|
 |
'66 BSA restoration |
|
 |
'49 HD project |